你提供的照片可能用于改善必应图片处理服务。
隐私政策
|
使用条款
无法使用此链接。检查链接是否以 "http://" 或 "https://" 开头,然后重试。
无法处理此搜索。请尝试其他图像或关键字。
试用视觉搜索
使用图像搜索、识别对象和文本、翻译或解决问题
将一个或多个图像拖到此处,
上传图像
或
打开相机
将图像放置到任意位置以开始搜索
要使用可视化搜索,请在浏览器中启用相机
English
全部
搜索
图片
灵感
创建
集合
视频
地图
资讯
更多
购物
航班
旅游
笔记本
自动播放所有 GIF
在这里更改自动播放及其他图像设置
自动播放所有 GIF
拨动开关以打开
自动播放 GIF
图片尺寸
全部
小
中
大
特大
至少... *
自定义宽度
x
自定义高度
像素
请为宽度和高度输入一个数字
颜色
全部
仅限颜色
黑白
类型
全部
照片
剪贴画
素描
动画 GIF
透明
版式
全部
方形
横版
高
人物
全部
仅脸部
半身像
日期
全部
过去 24 小时
过去一周
过去一个月
去年
授权
全部
所有创作共用
公共领域
免费分享和使用
在商业上免费分享和使用
免费修改、分享和使用
在商业上免费修改、分享和使用
详细了解
清除筛选条件
安全搜索:
中等
严格
中等(默认)
关闭
筛选器
2100×2800
www.instructables.com
Arduino Power Supply : 3 Step…
3000×4000
forum.arduino.cc
Arduino power supply - Gener…
1920×1440
forum.arduino.cc
Arduino power supply - General Guidance - Arduino Forum
763×1024
forum.arduino.cc
Project Redesign - Power Suppl…
768×1024
forum.arduino.cc
Need help wiring external power …
1024×583
forum.arduino.cc
Arduino circuit power supply - General Guidance - Arduino Forum
976×692
forum.arduino.cc
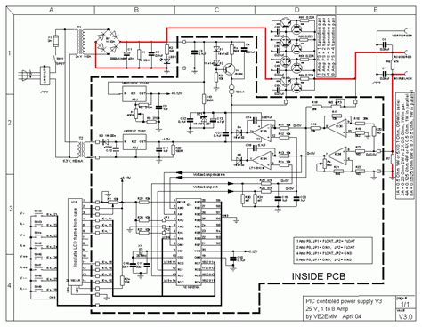
Arduino controlled Power supply - General Guidance - Arduino Forum
1799×972
forum.arduino.cc
[Solved] Arduino-controlled power supply? - General Guidance - Arduino ...
1936×2592
forum.arduino.cc
Power Supply - General Guidan…
1186×627
forum.arduino.cc
Arduino project diagram - General Guidance - Arduino Forum
1315×843
forum.arduino.cc
Question about Power Supply - General Guidance - Arduino Forum
1264×951
xtronic.org
Portable Adjustable Power Supply With Arduino - Xtronic
690×456
forum.arduino.cc
External Power Supply - Page 2 - General Electronics - Arduino Forum
690×396
forum.arduino.cc
How can I supply power to my project? - General Guidance - Arduino Forum
1500×1171
forum.arduino.cc
How can I supply power to my project? - General Guidance - Arduino Forum
1920×1440
forum.arduino.cc
Adding a power supply - General Electronics - Arduino Forum
606×1080
www.instructables.com
Arduino-controlled Pow…
1401×840
Stack Exchange
Arduino backup power supply - Electrical Engineering Stack Exchange
1000×1000
electroslab.com
Arduino Power Supply Learning …
989×768
artofit.org
Best power supply arduino display – Artofit
468×624
forum.arduino.cc
How to integrate power supply t…
1920×1080
storage.googleapis.com
Arduino Power Supply Current at Margaret Burgin blog
3840×2160
storage.googleapis.com
Programmable Power Supply Arduino at Maria Cardenas blog
3840×2160
storage.googleapis.com
Programmable Power Supply Arduino at Maria Cardenas blog
736×613
www.pinterest.com
Arduino Controlled Power Supply Source | Electronics …
1365×1024
Instructables
Arduino Controlled Power Supply Source : 12 Steps (with Pictures ...
1365×1024
Instructables
Arduino Controlled Power Supply Source : 12 Steps (with Pictures ...
1365×1024
Instructables
Arduino Controlled Power Supply Source : 12 Steps (with Pictures ...
1365×1024
Instructables
Arduino Controlled Power Supply Source : 12 Steps (with Pictures ...
1365×1024
Instructables
Arduino Controlled Power Supply Source : 12 Steps (with Pictures ...
1365×1024
Instructables
Arduino Controlled Power Supply Source : 12 Steps (with Pictures ...
1365×1024
Instructables
Arduino Controlled Power Supply Source : 12 Steps (with Pictures ...
1365×1024
Instructables
Arduino Controlled Power Supply Source : 12 Steps (with Pictures ...
1365×1024
Instructables
Arduino Controlled Power Supply Source : 12 Steps (with Pictures ...
1365×1024
Instructables
Arduino Controlled Power Supply Source : 12 Steps (with Pictures ...
某些结果已被隐藏,因为你可能无法访问这些结果。
显示无法访问的结果
报告不当内容
请选择下列任一选项。
无关
低俗内容
成人
儿童性侵犯
反馈