你提供的照片可能用于改善必应图片处理服务。
隐私政策
|
使用条款
无法使用此链接。检查链接是否以 "http://" 或 "https://" 开头,然后重试。
无法处理此搜索。请尝试其他图像或关键字。
试用视觉搜索
使用图像搜索、识别对象和文本、翻译或解决问题
将一个或多个图像拖到此处,
上传图像
或
打开相机
将图像放置到任意位置以开始搜索
要使用可视化搜索,请在浏览器中启用相机
English
全部
搜索
图片
灵感
创建
集合
视频
地图
资讯
更多
购物
航班
旅游
笔记本
Block Spring System 的热门建议
Spring
with Block
Vertical
Spring
Spring Block System
Mould
Parallel
Spring System
SHM
Spring Block System
Spring
Pendulum
Spring
Force Free Body Diagram
Spring-
Mass
Constant Force
Spring
Simple Harmonic Motion
Spring
Energy in a
Block Spring Earth System
Horizontal
Spring System
Two Mass
Spring System
Spring System
Equation
2 Body
Spring Block System
Spring Block
Platfromer
Linear
Spring Block
Pulley System
Physics
Amplitude of
Spring
Ground
Spring Block
Angular Velocity
Spring
Spring Block
Oscillator
Spring
CAD Block
Spring
Effect Block
Oscillation Motion
Spring Block System
Period of
Spring
Oscillating
Spring System
Forces On a
Block in a Spring System
Angular Frequency
Spring Block System
Stage
Block Spring
Block Spring
Cistern
Spring for Block
Machine
Spring
Limit Block
Block On Spring
Coil
Spring
Suspension System
Spring
Pressing Block
Spring
Equilibrium Position
Spring
Force Examples
Spring Block
Oscilation
Semi Front
Spring Block
Second Order Mass
Spring System
What Is a
Block Spring System
State Space Model for 2
Block Spring System
Mini
Block Spring
Spring
Can Block
Spring Block
Mechanical Design
Contraption Spring
and Block
Spring Back System
On Sungleasses
Spring Block
Lift
Spring
Kinetic Energy
缩小Block Spring System的搜索范围
Oscillation
Motion
Angular
Frequency
Series
Parallel
Velocity Time
Graph
Physics
SHM
What
is
Parallel
Inclined
Vertical
SHM
Two
Energy
Figure Shows
Ideal
Pulley Down
Incline
Period Oscillation
For
Phase Diagram
One Cycle
新版本
自动播放所有 GIF
在这里更改自动播放及其他图像设置
自动播放所有 GIF
拨动开关以打开
自动播放 GIF
图片尺寸
全部
小
中
大
特大
至少... *
自定义宽度
x
自定义高度
像素
请为宽度和高度输入一个数字
颜色
全部
仅限颜色
黑白
类型
全部
照片
剪贴画
素描
动画 GIF
透明
版式
全部
方形
横版
高
人物
全部
仅脸部
半身像
日期
全部
过去 24 小时
过去一周
过去一个月
去年
授权
全部
所有创作共用
公共领域
免费分享和使用
在商业上免费分享和使用
免费修改、分享和使用
在商业上免费修改、分享和使用
详细了解
清除筛选条件
安全搜索:
中等
严格
中等(默认)
关闭
筛选器
Spring
with Block
Vertical
Spring
Spring Block System
Mould
Parallel
Spring System
SHM
Spring Block System
Spring
Pendulum
Spring
Force Free Body Diagram
Spring-
Mass
Constant Force
Spring
Simple Harmonic Motion
Spring
Energy in a
Block Spring Earth System
Horizontal
Spring System
Two Mass
Spring System
Spring System
Equation
2 Body
Spring Block System
Spring Block
Platfromer
Linear
Spring Block
Pulley System
Physics
Amplitude of
Spring
Ground
Spring Block
Angular Velocity
Spring
Spring Block
Oscillator
Spring
CAD Block
Spring
Effect Block
Oscillation Motion
Spring Block System
Period of
Spring
Oscillating
Spring System
Forces On a
Block in a Spring System
Angular Frequency
Spring Block System
Stage
Block Spring
Block Spring
Cistern
Spring for Block
Machine
Spring
Limit Block
Block On Spring
Coil
Spring
Suspension System
Spring
Pressing Block
Spring
Equilibrium Position
Spring
Force Examples
Spring Block
Oscilation
Semi Front
Spring Block
Second Order Mass
Spring System
What Is a
Block Spring System
State Space Model for 2
Block Spring System
Mini
Block Spring
Spring
Can Block
Spring Block
Mechanical Design
Contraption Spring
and Block
Spring Back System
On Sungleasses
Spring Block
Lift
Spring
Kinetic Energy
新版本
🎉
新增功能
我们邀请你试用新版图像搜索,请切换查看。
768×1024
scribd.com
Spring Block System | PDF …
7:35
byjus.com
Understanding Spring Constant | Applying Concepts | Physics | JEE
7:35
byjus.com
Understanding Spring Constant | Applying Concepts | Physics | JEE
1920×1080
testbook.com
Understanding the Two Block Spring System - Testbook
245×91
testbook.com
Understanding the Two Block Spring System - Testbook
724×2080
Stack Exchange
homework and exercises - Sp…
923×358
chegg.com
Solved Consider the block-spring system as shown below. The | Chegg.com
582×391
Chegg
Solved Consider the block - spring system shown. A block | Chegg.com
1080×1249
physics.stackexchange.com
newtonian mechanics - Doubt …
700×588
chegg.com
Solved Example - Block-spring System The problem…
804×996
chegg.com
Solved A. Modeling the block-spring s…
1183×502
Chegg
Solved Consider a block-spring system where the equilibrium | Chegg.com
301×154
jobilize.com
Horizontal block-spring system By OpenStax | Jobili…
缩小
Block Spring System
的搜索范围
Oscillation Motion
Angular Frequency
Series Parallel
Velocity Time Graph
Physics
SHM
What is
Parallel
Inclined
Vertical
SHM Two
Energy
785×587
chegg.com
Solved Example 8.6 A Block-Spring System A block of mass 1.0 | Che…
399×399
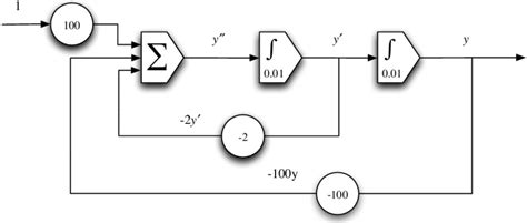
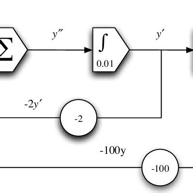
researchgate.net
Block diagram for a damped mass-spring sy…
700×440
chegg.com
Solved Problem 1 Consider a block-spring system inside a | Chegg.com
2221×1154
chegg.com
Solved A block-spring system consists of a spring with | Chegg.com
2536×936
chegg.com
Solved A block-spring system consists of a spring with | Chegg.com
1123×2319
chegg.com
Solved A block-spring system …
981×565
chegg.com
Solved A block-spring system consists of a spring with | Chegg.com
700×326
chegg.com
Solved A block-spring system consists of a spring with | Chegg.com
1885×1080
chegg.com
Solved approach.a. Draw 3 sketches of the block/spring | Chegg.com
400×395
Stack Exchange
newtonian mechanics - Spring block system…
2830×1402
chegg.com
Solved A horizontal block-spring system with the block on a | Chegg.com
2676×982
chegg.com
Solved A horizontal block-spring system with the block on a | Chegg.com
444×700
chegg.com
Solved A block-spring system …
2764×860
chegg.com
Solved A horizontal block-spring system with the block on a | Chegg.com
1024×768
numerade.com
⏩SOLVED:Find the mechanical energy of a block-spring system wi…
1019×597
Chegg
Solved Consider the double mass-spring system below. Show | Chegg.com
2553×1256
chegg.com
Solved A horizontal block-spring system with the block on a | Chegg.com
850×361
researchgate.net
Block diagram for a damped mass-spring system. | Download Scientific ...
1080×1545
chegg.com
Solved Figure 2: A spring-block …
1024×731
chegg.com
Solved A block-spring system consists of a spring with | Chegg.c…
2556×1072
chegg.com
Solved 2. A block-spring system consists of a spring with | Chegg.com
700×477
chegg.com
Solved A block-spring system consists of a spring with | Chegg.com
某些结果已被隐藏,因为你可能无法访问这些结果。
显示无法访问的结果
报告不当内容
请选择下列任一选项。
无关
低俗内容
成人
儿童性侵犯
反馈