你提供的照片可能用于改善必应图片处理服务。
隐私政策
|
使用条款
无法使用此链接。检查链接是否以 "http://" 或 "https://" 开头,然后重试。
无法处理此搜索。请尝试其他图像或关键字。
试用视觉搜索
使用图像搜索、识别对象和文本、翻译或解决问题
将一个或多个图像拖到此处,
上传图像
或
打开相机
将图像放置到任意位置以开始搜索
要使用可视化搜索,请在浏览器中启用相机
English
全部
搜索
图片
灵感
创建
集合
视频
地图
资讯
更多
购物
航班
旅游
笔记本
自动播放所有 GIF
在这里更改自动播放及其他图像设置
自动播放所有 GIF
拨动开关以打开
自动播放 GIF
图片尺寸
全部
小
中
大
特大
至少... *
自定义宽度
x
自定义高度
像素
请为宽度和高度输入一个数字
颜色
全部
仅限颜色
黑白
类型
全部
照片
剪贴画
素描
动画 GIF
透明
版式
全部
方形
横版
高
人物
全部
仅脸部
半身像
日期
全部
过去 24 小时
过去一周
过去一个月
去年
授权
全部
所有创作共用
公共领域
免费分享和使用
在商业上免费分享和使用
免费修改、分享和使用
在商业上免费修改、分享和使用
详细了解
清除筛选条件
安全搜索:
中等
严格
中等(默认)
关闭
筛选器
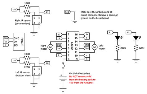
768×1024
scribd.com
Exp 7 | PDF | Arduino | Teach…
768×1024
scribd.com
Exp#1 | PDF | Arduino | Com…
1062×1053
pinnaxis.com
Virtuino ESP-01 Arduino UNO Getting Started …
960×720
projecthub.arduino.cc
Blinking LED with Arduino uno | Arduino Project Hub
1908×4128
forum.arduino.cc
Arduino uno and esp-01 - Gene…
612×408
istockphoto.com
使用arduino Uno製作的科學專案使用微伺服和超聲波感測器製作的ardu…
768×1024
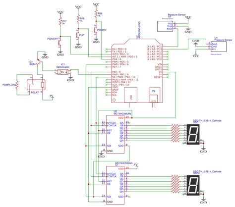
scribd.com
Exp_8_new2[1] | PDF | Arduino | E…
1710×1329
ar.inspiredpencil.com
Arduino Uno Projects
1169×828
oshwlab.com
arduino_simple - Platform for creating and sharing projects - OSHWLab
690×444
forum.arduino.cc
Arduino Uno in Science Fair Project - General Guidance - Arduino Forum
640×360
simple-circuit.com
Arduino Projects & Tutorials - Simple Circuit
3000×2000
infoupdate.org
How To Program Arduino Uno For Beginners - Infoupdate.org
800×551
makerspaces.com
Simple Arduino Uno Projects For Beginners - Step-by-Step Tutorial
1650×1212
fineartrk8schematicfix.z21.web.core.windows.net
Arduino Uno Simple Projects With Code
438×355
microelectronicasrl.com.ar
Arduino-Uno-Expans
1920×1080
sketchfab.com
arduino-uno-exp - 3D model by MichaelBlix [awVOc7Z] - Sketchfab
800×603
storage.googleapis.com
Arduino Uno Quick Start at Vicki Howes blog
920×813
easyeda.com
arduino-uno Resources - EasyEDA
1000×1500
best-microcontroller-projects.com
Arduino Uno specs: Everyth…
1351×914
easyeda.com
Arduino uno Resources - EasyEDA
1169×827
easyeda.com
Arduino Uno Resources - EasyEDA
453×640
slideshare.net
Arduino uno basic Experiments fo…
1585×1166
easyeda.com
arduino uno Resources - EasyEDA
1200×675
duino4projects.com
Using ESP-01 and Arduino UNO - duino
512×512
duino4projects.com
Using ESP-01 and Arduino UNO - duino
313×253
easyeda.com
Arduino Uno Rev3 Resources - EasyEDA
1172×829
easyeda.com
arduino-uno Resources - EasyEDA
1228×1051
easyeda.com
Arduino Uno Resources - EasyEDA
371×266
easyeda.com
ARDUINO UNO Resources - EasyEDA
447×324
easyeda.com
Arduino uno Resources - EasyEDA
387×233
easyeda.com
arduino uno Resources - EasyEDA
957×953
gastcoder.weebly.com
Best arduino kit beginners - gastcoder
1200×1553
studocu.com
Exp 1,2,3 arduino - lab experiments - …
850×1227
researchgate.net
The experiment realization usin…
1450×1458
easyeda.com
Xarduino + Arduino UNO Resources - EasyEDA
某些结果已被隐藏,因为你可能无法访问这些结果。
显示无法访问的结果
报告不当内容
请选择下列任一选项。
无关
低俗内容
成人
儿童性侵犯
反馈