你提供的照片可能用于改善必应图片处理服务。
隐私政策
|
使用条款
无法使用此链接。检查链接是否以 "http://" 或 "https://" 开头,然后重试。
无法处理此搜索。请尝试其他图像或关键字。
试用视觉搜索
使用图像搜索、识别对象和文本、翻译或解决问题
将一个或多个图像拖到此处,
上传图像
或
打开相机
将图像放置到任意位置以开始搜索
要使用可视化搜索,请在浏览器中启用相机
English
全部
搜索
图片
灵感
创建
集合
视频
地图
资讯
更多
购物
航班
旅游
笔记本
自动播放所有 GIF
在这里更改自动播放及其他图像设置
自动播放所有 GIF
拨动开关以打开
自动播放 GIF
图片尺寸
全部
小
中
大
特大
至少... *
自定义宽度
x
自定义高度
像素
请为宽度和高度输入一个数字
颜色
全部
仅限颜色
黑白
类型
全部
照片
剪贴画
素描
动画 GIF
透明
版式
全部
方形
横版
高
人物
全部
仅脸部
半身像
日期
全部
过去 24 小时
过去一周
过去一个月
去年
授权
全部
所有创作共用
公共领域
免费分享和使用
在商业上免费分享和使用
免费修改、分享和使用
在商业上免费修改、分享和使用
详细了解
清除筛选条件
安全搜索:
中等
严格
中等(默认)
关闭
筛选器
768×1024
scribd.com
Dynamic Simulation of A Three-Phase Induction Moto…
537×537
researchgate.net
(PDF) Three phase induction motor simulation with MATLAB
595×842
academia.edu
(PDF) Modeling and Simulation of Five Phase In…
515×515
researchgate.net
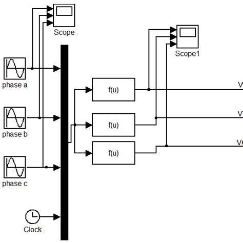
Simulink model of three-phase induction motor | Download …
850×1202
researchgate.net
(PDF) Matlab-based simulations of a three-phas…
850×1202
researchgate.net
(PDF) MODELING AND SIMULATION OF THREE P…
2048×2897
slideshare.net
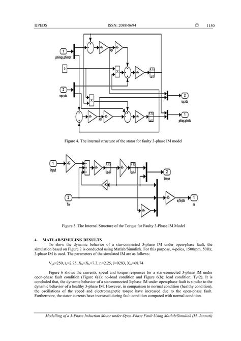
Modelling of a 3-Phase Induction Motor under Ope…
768×1024
scribd.com
Dynamic Model Analysis of Three Phase Induction Moto…
850×467
ResearchGate
Modelling of three-phase induction motor using Matla…
850×332
researchgate.net
Three phase induction motor drive in MATLAB/ Simulink | …
1000×1000
electricity-magnetism.org
Three-Phase Induction Motor | How it works, Application & …
303×445
amazon.in
Performance Analysis of Three-Phase Induction Moto…
849×427
ResearchGate
Matlab-Simulink model of three-phase induction furnac…
595×842
Academia.edu
(PDF) Modeling and Simulation of Three Phase I…
2048×2897
slideshare.net
Modelling of a 3-Phase Induction Motor under Ope…
768×1024
scribd.com
Three-Phase Induction Motor Design Software | PDF | Ele…
595×842
Academia.edu
(PDF) Mathematical Modelling of an 3 Phase Induction Mot…
595×842
academia.edu
(PDF) A Generalized Matlab Simulink Model of a Three P…
1200×600
github.com
GitHub - MridulChauhan/Design-of-In…
595×842
academia.edu
(PDF) MATLAB /Simulink Modelings and Experimenta…
850×429
researchgate.net
Matlap/Simulink for three phase induction motor suppl…
320×453
slideshare.net
Modelling of a 3-Phase Induction Motor under Ope…
768×1024
scribd.com
Three Phase Induction Motor Analysis Using Matlab | PDF
612×792
Academia.edu
(PDF) Dynamic simulation of a three phase induction motor …
638×903
procmelkj.weebly.com
Single Phase Induction Motor Design Software - procmelkj
768×1024
scribd.com
Torque-Speed Analysis of Induction Motor | PDF | Elec…
535×1145
researchgate.net
Three-axis Matlab/Simulink model of induction motor | D…
2048×2897
slideshare.net
Modelling of a 3-Phase Induction Motor under Ope…
1200×600
github.com
GitHub - SubrahmanyamTumuluri/De…
640×640
ResearchGate
Matlab simulation of three phase induction motor usin…
600×776
academia.edu
(PDF) The Three Phase Induction Motor Test Using …
850×1100
ResearchGate
(PDF) Three phase induction motor analysis using MATL…
850×1203
ResearchGate
(PDF) Modelling of the three-phase induction motor usin…
850×544
researchgate.net
Simulink Model of three phase induction motor | Download …
320×453
slideshare.net
Modelling of a 3-Phase Induction Motor under Ope…
某些结果已被隐藏,因为你可能无法访问这些结果。
显示无法访问的结果
报告不当内容
请选择下列任一选项。
无关
低俗内容
成人
儿童性侵犯
反馈