你提供的照片可能用于改善必应图片处理服务。
隐私政策
|
使用条款
无法使用此链接。检查链接是否以 "http://" 或 "https://" 开头,然后重试。
无法处理此搜索。请尝试其他图像或关键字。
试用视觉搜索
使用图像搜索、识别对象和文本、翻译或解决问题
将一个或多个图像拖到此处,
上传图像
或
打开相机
将图像放置到任意位置以开始搜索
要使用可视化搜索,请在浏览器中启用相机
English
全部
搜索
图片
灵感
创建
集合
视频
地图
资讯
更多
购物
航班
旅游
笔记本
自动播放所有 GIF
在这里更改自动播放及其他图像设置
自动播放所有 GIF
拨动开关以打开
自动播放 GIF
图片尺寸
全部
小
中
大
特大
至少... *
自定义宽度
x
自定义高度
像素
请为宽度和高度输入一个数字
颜色
全部
仅限颜色
黑白
类型
全部
照片
剪贴画
素描
动画 GIF
透明
版式
全部
方形
横版
高
人物
全部
仅脸部
半身像
日期
全部
过去 24 小时
过去一周
过去一个月
去年
授权
全部
所有创作共用
公共领域
免费分享和使用
在商业上免费分享和使用
免费修改、分享和使用
在商业上免费修改、分享和使用
详细了解
清除筛选条件
安全搜索:
中等
严格
中等(默认)
关闭
筛选器
680×680
storage.googleapis.com
Abs Module Reprogramming at Kevin Tejeda blog
400×400
rangerovers.net
Re-coding/reprogramming ABS Module after replacem…
700×443
cararac.com
Does a Used ABS Module Need to Be Reprogrammed? We Explain
700×443
cararac.com
Does a Used ABS Module Need to Be Reprogrammed? We Explain
640×452
slideshare.net
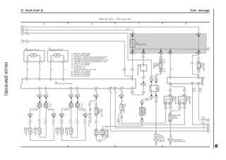
Hilux abs sist. 2011 | PDF
320×226
slideshare.net
Hilux abs sist. 2011 | PDF
800×600
storage.googleapis.com
Abs Pump Toyota Hilux at Samantha Atherton blog
1316×763
www.2carpros.com
Does the ABS Module Have to Be Reprogrammed After Replacement?
1250×913
www.2carpros.com
Does the ABS Module Have to Be Reprogrammed After Replacement?
1251×907
www.2carpros.com
Does the ABS Module Have to Be Reprogrammed After Replacement?
1600×540
quickfitautocenter.com
abs-module-replacement
552×534
www.2carpros.com
ABS Module Replacement?: Had Diag…
1024×768
autopluswreckers.com.au
2010 Toyota Hilux Abs Pump Modulator
1600×1200
citywrecker.com.au
TOYOTA HILUX 2018 Abs Pump/Modulator
1600×1200
hollanderparts.com.au
Abs Pump/Modulator Hilux Toyota 2009
1599×1199
hollanderparts.com.au
Abs Pump/Modulator Hilux Toyota 2007
1600×1200
hollanderparts.com.au
Abs Pump/Modulator Hilux Toyota 2016
1600×1200
hollanderparts.com.au
Abs Pump/Modulator Hilux Toyota 2016
1599×1599
hollanderparts.com.au
Abs Pump/Modulator Hilux Toyota 2016
1599×1599
hollanderparts.com.au
Abs Pump/Modulator Hilux Toyota 2013
1599×1599
hollanderparts.com.au
Abs Pump/Modulator Hilux Toyota 2013
1600×1200
hollanderparts.com.au
Abs Pump/Modulator Hilux Toyota 2016
1599×1599
hollanderparts.com.au
Abs Pump/Modulator Hilux Toyota 2006
1599×1599
hollanderparts.com.au
Abs Pump/Modulator Hilux Toyota 2016
1600×1200
hollanderparts.com.au
Abs Pump/Modulator Hilux Toyota 2019
1280×720
storage.googleapis.com
Abs Module Repair at Chloe Papathanasopoulos blog
1599×1599
hollanderparts.com.au
Abs Pump/Modulator Hilux Toyota 2014
1599×1599
hollanderparts.com.au
Abs Pump/Modulator Hilux Toyota 2008
768×1024
Scribd
TOYOTA HILUX DIAGRAMA D…
1792×1024
absandbrakelighton.com
ABS Light On Toyota Hilux: Causes And Solutions
800×500
shstreetcar.com
How To Repair ABS Module
990×707
jeepzine.com
Repairing an ABS Control Module: Step-by-Step Guide
759×522
www.2carpros.com
ABS Control Module?: Had to Replace the ABS Control Module. Manage...
1080×1080
mecatronicgarage.com
MODULO ABS TOYOTA HILUX 2016 A 2020 - m…
1080×1080
mecatronicgarage.com
MODULO ABS TOYOTA HILUX 2016 A 2020 - mec…
某些结果已被隐藏,因为你可能无法访问这些结果。
显示无法访问的结果
报告不当内容
请选择下列任一选项。
无关
低俗内容
成人
儿童性侵犯
反馈